You might want to visit our global site:

Comment désactiver le caisson de mélange ? 

Les particules virales circulant dans les conduits d’air extrait peuvent être réintroduites dans le circuit d’amenée d’air neuf lorsque les centrales de traitement d’air sont équipées d’un dispositif de recirculation (caisson de mélange).

 

Selon le guide REHVA COVID-19, du 3 Avril 2020, la consigne de CO2 doit être inférieure à 400 ppm. Les sondes CO2 des unités GOLD ont une plage de fonctionnement de 500 – 1500 ppm. En réglant la consigne qui est exprimée en pourcentage à 0% de CO2, la machine sera verrouillée en tout air neuf.

Désactivation du caisson de mélange

Cette opération devra être effectuée après la mise en fonctionnement en grande vitesse.

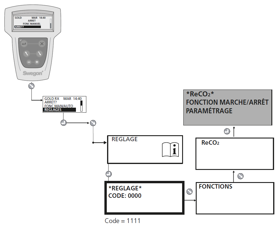
Dans le menu « RECO2 », procéder aux vérifications ci-dessous :

Si les fonctions Mode COâ‚‚ / COV – Mode température sont inactives dans le menu MARCHE/ARRÊT, vous n’êtes pas concerné par la modification ci-dessous.

1- Positionner le mode température sur inactif dans le menu MARCHE/ARRÊT.

2- Insérer une valeur de consigne de 0% afin de forcer le fonctionnement en tout air neuf dans le menu paramétrage.

Cette information est utile. J'imprime ce tutoriel.